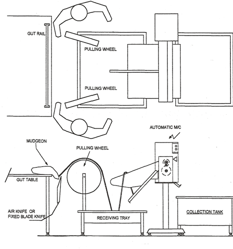
Casing Cleaner Nozzle - Tripe Cleaner
2 year Manufacturer's Warranty:
Below are the terms of Manufacturer’s warranty offered by Mitchell Engineering Food Equipment Pty Ltd. 23 Storie Street Clontarf.
Warranty Coverage:
We guarantee that our products are free from defects in materials and workmanship under normal use for a period of 2 years from the date of your purchase
Warranty Claims Process:
Warranty Exclusions:
This warranty does not cover defects or damage arising from misuse, modification, neglect, normal wear and tear, or force majeure events beyond our control or failure to adhere to general maintenance as specified within the product manual.
This warranty does not apply to consumables such as batteries, ink, filters and globes.
Remedies:
If a defect covered by this warranty is properly notified to us within the warranty period, and is determined to be covered, we will, at our discretion, repair or replace the defective product.
Any defective parts/products replaced by us under this warranty will be deemed to be the property of MEFE.
Limitation of Liability:
Our liability is limited to the repair or replacement of the defective product and excludes consequential or incidental damages to the extent permitted by law.
Consumer Rights:
Our goods come with guarantees that cannot be excluded under the Australian Consumer Law.
You are entitled to a replacement or refund for a major failure and compensation for any other reasonably foreseeable loss or damage.
You are also entitled to have the goods repaired or replaced if the goods fail to be of acceptable quality and the failure does not amount to a major failure.
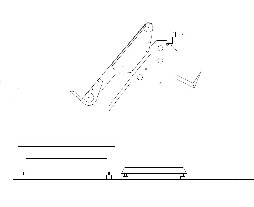
A heavy-duty automatic casing cleaning machine built for high-throughput meat-processing operations. Capable of handling 350–450 pork or lamb casings per hour (100+ beef), it uses 1200 mm rollers and geared feeding to streamline emptying and cleaning with minimal operator input. Stainless steel construction, CE certification, and 400 V three-phase power ensure reliability for abattoirs, smallgoods manufacturers, and processors across Australia.
Operator feeds the intestine onto the loading bar which pulls it into the cleaner

24 v switching
400v 3 Phase
Stainless Steel construction
CE Certified
CAT 152 VT1200
CASING CLEANING MACHINE
AUTOMATIC - 1000mm rollers
350-450 pork or lamb or 100+ Beef casings/ H
400KG,
1.1 KW 400V
1600 X 1500 X 1200 MM
0.4m3 Water consumption @ 45 degree
